Hammarkvarnen används till förmalning av produkter som låter sig förmalas till mindre partiklar.
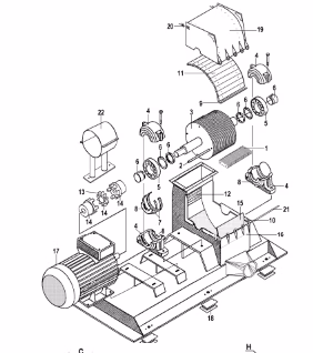
Processen består i att materialet förs till kvarnens inlopp via transportband, skruv eller liknande utrustning som kan kapacitetsregleras, t.ex. med frekvensomformare.
När materialet faller ner i malkammaren, slås det sönder med hjälp av slagornas rotation och utbytbara, slitstarka malbrosegment.
Sållets hålstorlek bestämmer förmalningsgraden på materialet.
ATEX: Anläggningar med hammarkvarnar kan levereras som ATEX godkända anläggningar, dvs anläggningarna uppfyller ATEX Direktivet 2014/34/EU (gäller för material / utrustning som skall användas i ett område med explosiv atmosfär i form av gas eller damm) samt ATEX Direktivet 1999/92/EC (måste skydda arbetstagare mot att det sker antändning av en explosiv atmosfär och därmed skada på arbetstagare, byggnader, etc.)
Hammarkvarn modell D med bottenutlopp och inlopp i malkammarens topp, används i samband med underbehållare, eller mekanisk transport av det förmalda materialet.
Hammarkvarn modell P med utsugningsstos och inlopp i malkammarens topp används i samband med dysfilter och tillhörande fläkt (undertrycksanläggning). Lämplig där längre transportvägar och stor kapacitet önskas. Denna form av anläggning är dammfri.
FINE kvarnen har en optimerad malkammare och sållspännare för fin förmalning. Slagorna roterar väldigt nära sållet
Artiklar & tillbehör:
- 05756157F – Hammarkvarn EU-6000D FINE Exkl. motor. Inkl. fundament med bottenutlopp
- 05756158F – Hammarkvarn EU-6000P FINE Exkl. motor. inkl. fundament med utsugningsstos för pneumatisk transport.
- 12000047 – Separator med renslucka for EU-6000
- 12000048 – Magnetrist för luftseparator EU-6000
- 05756669 – Vibrationsdämpare set 8st
- 97463500 – Säkerhetskontakt m. lås 24V för kvarnlucka
- Sensorer för övervakning av kvarn
- ATEX
Specifikationer:
Motor: 75-132 kW
Sållyta: 0,6 m²
Industrislagor: 136 st, 2,5-8,0 mm
m/malbro: 1 st
Kapacitet: 8,0-10 Kg/tim
Ljudnivå: 85 db(A)
Vikt utan motor: 1100 kg






